
Motor de máquina óptica
Clasificación: Motor de engranaje planetario de CC
Aplicación:Equipos ópticos, Cámaras de vigilancia, Equipos de oficina. Etc
Notas: Los motores se pueden diseñar según los requisitos del cliente.
Motor de máquina óptica
Una computadora óptica es una computadora que utiliza las propiedades de la luz para realizar cálculos. En comparación con las computadoras electrónicas tradicionales, las computadoras ópticas pueden alcanzar una velocidad de computación y una potencia de procesamiento extremadamente altas, al tiempo que tienen un menor consumo de energía y un tamaño más pequeño. Incluyendo fotónica, tecnología láser e interferencia multihaz. Estas tecnologías permiten que las computadoras ópticas logren computación, procesamiento de señales y transmisión de datos de velocidad ultrarrápida, así como capacidades de procesamiento de imágenes y sonido de alta precisión. Para áreas que requieren grandes cantidades de procesamiento y almacenamiento de datos, como las industrias financiera, científica y aeroespacial, las aplicaciones informáticas ópticas tienen un gran potencial.
1.Introducción del producto
Nuestra empresa es uno de los principales exportadores de motores en China. Nuestros motores gozan de gran popularidad en muchos países. Nuestros atractivos diseños y precios razonables satisfarán sus necesidades. Podemos suministrar la muestra si tenemos piezas listas en stock. También suministramos motores de CA.
Introducción de productos de equipos ópticos, dispositivos, máquinas, etc., motores de engranajes.
Tren de engranajes planetarios sus características, aplicación, relación de transmisión y eficiencia. Ofrecemos pruebas de muestra de China con motores de engranajes de CC planetarios de buena calidad. Podemos proporcionarle más detalles de nuestros motores si está interesado. También suministramos motores de CA.
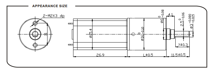
El dibujo del tamaño del motor.
2.ProductoAaplicación
Las principales aplicaciones típicas son equipos ópticos y equipos de oficina.
El equipo óptico, dispositivo, máquina, etc., motores de engranajes.
Los motores se pueden diseñar según los requisitos del cliente.
Diseño personalizado: Bienvenido.
La hoja de datos del motor.
3.Nuestro Servicio
Nuestra empresa es uno de los principales exportadores de motores en China. Nuestros motores gozan de gran popularidad en muchos países.
Calificación del producto del equipo óptico, dispositivo, máquina, etc., motorreductores.
Certificado: CCC. ROHS. CE. UL. Etc
6. Entrega, envío y servicio de equipos ópticos, dispositivos, máquinas, etc., motores de engranajes.
Puerto de carga: cualquier puerto en China
Transporte: por aire o por barco, según requerimientos del cliente
En la producción no sólo exigimos cantidad sino también calidad.
Tiempo de entrega de la muestra: 7-15 días.
4.Preguntas más frecuentes
P: ¿Cómo puede garantizar la vida útil de su motor? ¿Hizo muchas pruebas?
R: En cuanto a la prueba de resistencia. Ciertamente lo hicimos antes de realizar pedidos masivos. Cada motor tiene un estilo de prueba de resistencia diferente. En algún momento, necesitamos alrededor de 6 meses para realizar la prueba de por vida. es muy importante.
P: ¿Cómo ponerse en contacto con nosotros?
R: 1, Déjenos un mensaje o hable con nosotros en nuestro sitio web en la PARTE INFERIOR de esta página
2. Comuníquese con nosotros directamente por Skype: leo_dydt
3, Llama a nuestro teléfono: 86-755-85265699 Móvil: 86-18666465246
P: ¿Es usted un fabricante o una empresa comercial?
R: Somos fabricantes en el área de impresión y embalaje desde hace más de 15 años. Bien
Ahora tenemos más de 500 trabajadores en nuestra fábrica en SHENZHEN. Nuestros productos cumplen con ISO9001:2008. Somos la empresa de grado AAA en China.
P: ¿Cuánto tiempo puedo esperar para recibir la muestra?
R: Después de recibir el cargo de muestra y confirmar todo el material y diseño, el
El tiempo de muestra es de 7 días y la entrega urgente suele tardar alrededor de 3-5 día.
P: ¿Cuándo puedo obtener la cotización de mi consulta?
R: Por lo general, la cotización se le enviará dentro de un día hábil después de todos los detalles de
Los productos son claros. Si hay algo urgente, podemos cotizarle dentro de 1 hora según
en todos los detalles que usted proporciona.
Etiqueta: motor de máquina óptica, China, fabricantes, proveedores, fábrica, venta al por mayor, personalizado, cotización, descuento, precio, compra, barato
Artículo anterior
Motor de dispositivo ópticoSiguiente artículo
Motor de equipo ópticoTambién podría gustarte
Envíeconsulta











